一.概述
1 赢博官网_赢博yingbo(中国)是目前世界上较为理想的起重设备。在工业发达国家早已被广泛采用。它具有电动葫芦不可比拟的优点:
。
a 耐酸碱、蒸汽、抗高粉尘。
b 体积小、轻便,重量为电动葫芦的1/3~1/8。
2 正是基于上述优点,赢博官网_赢博yingbo(中国)可广泛应用于石油、化工、煤矿、纺织、机械生产、船舶、 等领域。
3 型号说明:
产品的型号命名方式如下:
![]()
![]()
![]()
![]()

示例:提升高度为3m、额定起重量为10t的赢博官网_赢博yingbo(中国)表示为:HQ10-3。
二.HQ赢博官网_赢博yingbo(中国)的构成与功用
(一)其构成

1、带有链轮和过载保护的减速箱;
2、中央部分;上钩、吊挂体、链轮、链条、下钩等部分组成;3、带有制动功能的马达;
4、连接风源的控制部分以及操作阀;5、链条;
6、吊钩组。
(二)功用(主要介绍减速箱、马达、连接风源的控制部分)
1、带有链轮和过载保护的减速箱;包括三级行星减速齿轮组及过截调节两部分。(1)三级行星减速齿轮组:高速马达输入轴通过三级行星减速齿轮减速后输出到链轮,带动链条工作。(2)过截调节:由调整螺丝、压盖、蝶行弹簧和压在初级行星减速齿轮组周内齿轮两侧的铜摩擦片组成。当负载产生的旋转力小于过载摩擦力时,周内齿轮不动从而使赢博官网_赢博yingbo(中国)工作。当负载产生的旋转力大于过载摩擦力时周内齿轮打滑,赢博官网_赢博yingbo(中国)不工作。过载摩擦力的调节是通过松(或紧)调整螺丝来调节蝶行弹簧的弹力来实现的,从而起到过截保护作用。
2、带有制动功能的马达:主要包括缸筒、转子、叶片和两端缸盖部分。
(1)、叶轮发动机工作原理。(见附图2)
叶片马达由气缸套1、转子2和两端缸盖三部分组成。转子装在气缸套内,叶片装在转子的槽3内。叶片与缸套内壁及两端缸盖接触,每两个相邻的叶片形成一个腔室6,由于4.1叶片的面积比4.2叶片的面积大,当输入压缩空气时,作用在4.1叶片上的力大于作用在4.2叶片上的力,产生转子扭矩,转子转动。当腔室转到排气口7时,压缩空气被排出。润滑腔8在马达叶片槽之间,它确保在250-500小时的使用中,不断润滑马达。
图中箭头标明了转子的运动方向和空气的相应流动方向。
2、连接风源的控制部分以及操作阀;通过按动操作阀使主流阀打开,向双向旋转阀腔内进气,在按动操作阀的同时双向旋转阀转动打开阀门向马达气缸进气。风源控制部分的原理。(见下图)。

三、HQ型赢博官网_赢博yingbo(中国)技术参数表
序号 | 项目 |
单位 | HQ6-(3~16) | HQ10-(3~16) | HQ16-(3~16) | HQ20-(3~16) | ||||||||
0.4 MPa | 0.5MPa(额定气压) | 0.6MPa | 0.4 MPa | 0.5MPa (额定气压) | 0.6 MPa | 0.4 MPa | 0.5MPa (额定气压) | 0.6 MPa | 0.4 MPa | 0.5MPa(额定气压) | 0.6 MPa | |||
1 | 额定起重量 | t | 5 | 6 | 6 | 8 | 10 | 10 | 14.5 | 16 | 16 | 16 | 20 | 20 |
2 | 提升速度 | m/min | 0.4 | 0.5 | 0.63 | 0.3 | 0.4 | 0.5 | 0.3 | 0.5 | 0.7 | 0.3 | 0.5 | 0.7 |
3 | 下降速度 | m/min | 1 | 1.1 | 1.2 | 1 | 1.2 | 1.5 | 1 | 1.5 | 1.6 | 1.2 | 1.7 | 1.8 |
4 | 耗气量 | m3/min | 3 | 3.3 | 3.8 | 3.5 | 4.3 | 5.3 | 3.8 | 4.3 | 5.5 | 4 | 4.5 | 5.2 |
四、赢博官网_赢博yingbo(中国)的动力源
赢博官网_赢博yingbo(中国)的动力源是压缩空气,为了使赢博官网_赢博yingbo(中国)正常工作,对压缩空气需满足:
1、压缩空气清洁、干燥,即空气中夹杂的微粒尺寸小于40um,夹杂的微粒数量低于每立方米5克。

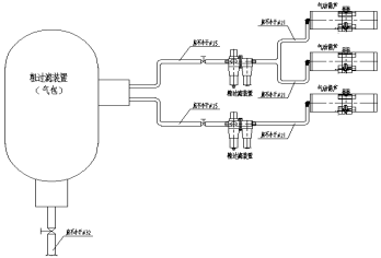
2、为保证赢博官网_赢博yingbo(中国)压缩空气的质量,保证压缩空气过滤良好,并使赢博官网_赢博yingbo(中国)供风量满足要求,必需正确连接粗过滤装置和精过滤装置如下图所示:
一般要求赢博官网_赢博yingbo(中国)进气管不小于DN20,且要求接有过滤装置,一般要求进气管直径比出气管直径大一个以上的规格型号。
3、为了保证供风质量,还需保证粗过滤装置、精过滤装置及连接用的风管本身内部的清洁,为此必须在入井前对粗过滤装置、精过滤装置及连接用的风管进行封口,以免脏物进入其内,下井后还需用风压吹扫干净后方可连接投入使用。还要求定期清扫保证其清洁(要求一月一次)。
五、赢博官网_赢博yingbo(中国)使用安全注意事项
1、赢博官网_赢博yingbo(中国)的使用地点应有足够的空间尺寸,环境整洁,没有对操作者造成危险的危险源。
2、赢博官网_赢博yingbo(中国)吊挂点应牢固可靠,6t赢博官网_赢博yingbo(中国)吊挂点须不小于2根锚索并用,10t赢博官网_赢博yingbo(中国)吊挂点须不小于4根锚索并用,20t赢博官网_赢博yingbo(中国)吊挂点须不小于6根锚索并用。吊挂点需加强顶板支护满起吊安全需要。
3、赢博官网_赢博yingbo(中国)操作人员需经过培训。熟悉赢博官网_赢博yingbo(中国)的工作原理、内部结构及有关操作的安全注意事项等。
4、严禁超负荷能力提升、提升卡住的重物、起吊不能控制的外部能量设备(如液压缸、降落的物体)。
5、不容许任何人及其任何部位在吊挂重物下面。
6、在开始提升和拖拽物体时要小心谨慎操作。
7、在起吊工作的情况下,千万不要试图处理起吊过程中出现的问题。
8、在提升、拖拉和降低物体是,确保物体处于稳定状态,避免物体倾倒或落下引起事故。
9、用几个赢博官网_赢博yingbo(中国)提升一个物体要避免负载不平衡而导致过载。
10、每次决不要提升或拖拉一件以上的物体。
11、风压不要超过工作压力。发生断气,要对重物实施保护。在取下空气管前,要关掉气源。
12、要拧紧松弛的螺栓。
13、及时检查吊钩,不要使用不能活动的、弯曲的、打开的或扭曲变形的吊钩,要及时更换。及时修理损坏的吊钩安全锁。
14、不要用吊钩钩尖部吊重物,只能在吊钩里面最深的地方。
15、不要在连接点处锁住吊钩、不要对吊钩作退火处理。
16、不要阻塞操作按键,不要使用不活动、不灵活的操作按键,应立即修理。
17、只用原始的JDN控制器操作JDN风动葫芦。
18、不要弯曲或挤压控制管。
19、在提升前将重物垂直放在风吊下方,链条应向下垂落。要避免松驰链条的打结,绞结的链条要整理好,检查打结链条是否受损。不要触摸运行的链条。
20、在通常工作情况下,决不要将链条运行到最终位置。
21、赢博官网_赢博yingbo(中国)被启动而无法运行,检查是否链条受损。
22、不容许修理链条和连接链条(如用螺栓、连接环等)。
23、不要使用损坏的、损伤的、磨损的、生锈的、弯曲的、延伸的链条。
24、不要把负载链条作为提升链条使用。不使用吊链去捆绑提升物体。
故障与排除
问题 | 可能原因 | 处理办法 |
不能提升 | 压力过低 | 将风压调到规定值 |
紧急制动被启动 | 排除危险,解除紧急制动 | |
开关出现问题 | 修理开关 | |
提 升 速 度 太 慢 | 制动闸没有完全释放 | 调风压到规定值,必要时更换制动活塞的密封,调整间隙 |
制动片磨损,或者磨损不对称 | 更换制动片 | |
风管泄漏或接头松动 | 检查风管接头,并将其拧紧 | |
风管截面过小 | 更换大尺寸风管(检测风压) | |
服务单元被赃物堵住 | 清洗,并想办法改善空气质量 | |
消音器堵塞 | 清洗或更换消音器部分 | |
马达叶片磨损严重 | 更换马达叶片 | |
马达干涩 | 加润滑油、检查油壶 | |
马达控制阀失效 | 维修马达控制阀 | |
安全离合器打滑 | 调整安全离合器 | |
链条磨损造成安全离合打滑 | 更换链条 | |
制动时的过度运转 | 制动闸磨损 | 更换闸片 |
链轮噪音太大 | 链条缺油、链条磨损 | 润滑/更换新的链条 |
链轮磨损严重 | 更换链轮,检查链条导块,必要时更换 | |
链条没有安装正确 | 检查链条,必要时更换 | |
提升或下降速度逐渐变慢或趋于停止 | 制动活塞安装过紧 | 在较高温度时调整制动活塞的间隙,同时设备也要加温 |
易损件明细表
序号 | 名称 | 规格 | 数量 | 备注 |
1 | 链条 | / | 1 | |
2 | 链轮 | / | 1 | |
3 | 叶片 | / | 6 | |
4 | 滚针轴承 | / | 12 | |
5 | 向心轴承 | / | 3 | |
6 | 向心轴承 | / | 3 |
产品主要零(元)部件及重要原材料明细表
序号 | 零部件(材料)名称 | 规格型号(材质) | 生产单位 | 安标证编号(或其它认证编号 | 有效期 | 受控类别 | 备注 |
1 | RB2-8 | MEE050052 | 2017-1-5 | B | HQ6-(3~16) HQ10-(3~16) HQ16-(3~16) HQ20-(3~16) | ||
2 | 马达 | HQ6-QD-00 | 丹阳市永明机械制造有限公司 | / | / | D | HQ6-(3~16) |
HQ10-QD-00 | HQ10-(3~16) | ||||||
HQ16-QD-00 | HQ16-(3~16) | ||||||
HQ20- QD-00 | HQ20-(3~16) | ||||||
3 | 减速器 | HQ6-JS-00 | 丹阳市永明机械制造有限公司 | / | / | D | HQ6-(3~16) |
HQ10-JS-00 | HQ10-(3~16) | ||||||
HQ16-JS-00 | HQ16-(3~16) | ||||||
HQ20- JS -00 | HQ20-(3~16) | ||||||
4 | 手控阀 | HQ6-WG-01 | 丹阳市永明机械制造有限公司 | / | / | D | HQ6-(3~16) |
HQ10-WG-01 | HQ10-(3~16) | ||||||
HQ16-WG-01 | HQ16-(3~16) | ||||||
HQ20- WG-01 | HQ20-(3~16) |
注:当改变安标配套件时,应选择具有效MA证书的产品。性能参数和整机匹配。
检查维护项目表及其时间间隔表
序号 | 检查维护项目 | 时间间隔表 |
1 | 检查控制器 | 每天 |
2 | 检查刹车 | 每天 |
3 | 测试过载保护开关 | 每天 |
4 | 测试紧急制动开关 | 每天 |
5 | 检查链条、润滑链条 | 检查链条每3个月,需要时润滑链条 |
6 | 在腐蚀环境下链条需要更换 | 最少5年 |
7 | 检查链轮和导链 | 每次更换链条时 |
8 | 检查刹车磨损 | 每运行250小时或至少每年一次 |
9 | 检查螺栓松紧 | 每运行250小时或至少每年一次 |
10 | 检查挂钩(含承重部分和被悬挂部分) | 每运行250小时或至少每年一次 |
11 | 检查风动马达、更换马达润滑剂 | 每运行250小时或至少每年一次 |
12 | 检查润滑起重钩轴承和链轮轴承 | 起重钩最大轴向公差为:2.5mm |
13 | 检查消音器 | 每运行250小时或至少每年一次 |
14 | 检查过载保护 | 每年一次 |
15 | 检查传动装置、更换润滑油 | 每运行800小时或至少每5年一次 |
16 | 检查联轴器和离合器 | 每运行250小时或至少每年一次 |
17 | 检查气路是否损坏 | 每年一次 |
18 | 检查缓冲器 | 至少每年一次 |
19 | 检查辅助装置 | 每运行250小时或至少每年一次 |
![丹阳市永明机械制造有限公司[官网]](res/202010/18/48d473cb33be3185.png)


客服小薇
客服2